EN
0
About Us
About Us
Products
OEM Service
Capability
Equipment
Quality Management
Support
Download
FAQ
Video
E-Catalog
News
Contact Us
Home
Products
Plumbing _ Cartridge
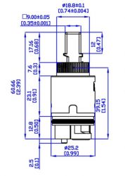
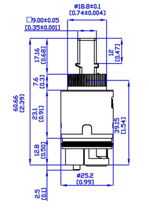
CAP0014 Ceramic Cartridge 25mm OD
CAP0014 Ceramic Cartridge 25mm OD
Product Description
New Ø25mm Ceramic Cartridge
Cold (Hot) Only Type
Low Torque Structure Type with Distributor
Inquiry
Prev
Next
Product Description
New Ø25mm Ceramic Cartridge
Cold (Hot) Only Type
Low Torque Structure Type with Distributor
Packing: 300 pcs/ Carton, N.W: 7.5 kgs, G.W: 8.5 kgs, 0.70 Cu'ft.
Product Specification
Technical characteristics of the ceramic discs
Material
AL
2
O
3
92%~96%
Surface roughness
Ra 0.1 ~ Ra 0.3 μm
Hardness
>1000 HV
Flatness
<0.6 μm
Technical characteristics of the cartridge
Max. opening angle
23°
Recommended nut tightening torque
7~8 N.m
Water resistance pressure
350~500 psi
Max. temperature
90℃(194℉)
Endurance test
500,000 cycles (ASME A112.18.1)
70,000 cycles (EN817)
Flow rate
Water
pressure
Hot/Cold
(L/min)
1 bar
9.9
2 bar
13.8
3 bar
16.6
Back to List
Out of stock.,
contact us